08 Pacifica Wiring Diagram Bcm
The rr door trigger is purple/yellow at the bcm, c3, pin 5. Moparpartsgiant.com offers the wholesale prices for genuine 2018 chrysler pacifica parts.

I have a problem with my driver side headlight on a 05 pacifica AWD touring. The headlight
Parts fit for the following vehicle options.

08 pacifica wiring diagram bcm. It was a six cylinder with hydraulic brakes. I have a 06 pacifica and the other day the passenger side locks and windows stopped working. Did you try the alfaobd.
One of the most time consuming tasks with installing an after market car alarm, car security, car […] Guys i'm searching for wiring diagram for bcm chrysler pacifica 2017. It included but is not limited to.
Moparpartsgiant.com offers the wholesale prices for genuine 2019 chrysler pacifica parts. I am an auto repair shop and i have replaced the bcm on a 08 chrysler pacifica because the back hatch wouldn't open.we took pacifica to another shop with a witech pod to have programmed and. Kenwood kdc 135 wiring harness;
I have a customer who wants to add a flipdown monitor on her exsisting system i know that audiovox makes a adapter for this kind of car but i cant find it on their we Chrysler wiring diagrams are designed to provide information regarding the vehicles wiring content. Pacifica wire diagram wiring diagrams.
Furnace blower motor wiring diagram vexar; Dyson dc14 animal parts diagram; Goontii location offline junior member.
The wiring diagram shows fuse 39 as a pcm fused battery feed. 1987 harley davidson softail custom with evo motor turn signals wiring diagram; Wiring diagram for 2009 fx35 speakers;
Im mainly trying to find the door lock/unlock wiring, but also need a few others that are in the bcm. The bcm (body control module) is on the driver side firewall under the dash. 38 is next to it and is for the a/c compressor clutch.
08 pacifica wiring diagram bcm; 07 volo penta 5.0gl wiring diagram; All wiring diagrams posted on the site are collected from free sources and are intended solely for informational purposes.
In this video you get to come along as i attempt to repair many electrical problem plaguing this chrysler pacifica. 2005 pacifica engine diagram wiring diagram schematics. I am trying to figure out how to go about.
Wiring diagram for hardwired smoke detectors; Chrysler 3 5 engine timing belt diagram image details. I do not have the money to replace the bcm at the moment and also cannot go without the car.
Up to 20% cash back this is a 2004 pacifica? Wiring diagram for a 2011 cascadia freightliner; Trying to install a remote start and searched high and low for a diagram of the wiring for my '02 and cant seem to locate anything that lays out exactly whats what under my dash.
If you have any questions or good suggestions on our products and site, or if you want to know more information about our products, please write them and send to us, we will. Diagrams are arranged such that the power (b+) I was told i needed to remove the body.
Genuine mopar parts, the right choice. The lr door trigger is purple/gray at the bcm, c2, pin 8. 2006 chrysler pacifica wiring short bcm system.
This module is a computerized component, and when it fails a number of symptoms can occur. Chrysler was founded in 1923. Porsche 928 voltage regulator wiring diagram;
Hayward h 250 wiring diagram; Fuse box diagram (fuse layout), location and assignment of fuses and relays chrysler pacifica cs (2004, 2005, 2006, 2007, 2008). Cub cadet 2130 6 pin ignition switch wiring diagram;
Use all four wires and diode isolate each. Wiring diagrams for pacifica 2017. 08 pacifica wiring diagram bcm.
These symptoms include flashing interior lights and randomly sounding chimes. 08 pacifica wiring diagram bcm; Upon arriving home and walking around the car i smelt burnt wires.
The first car produced by chrysler was in 1924. Chrysler standard and specific fault codes dtc. Zstar 110cc atv wiring diagram;
Autozone repair guide for your wiring diagrams body control module () body control module () pacifica wiring diagram (). Whether your an expert chrysler pacifica car alarm installer, chrysler pacifica performance fan or a novice chrysler pacifica enthusiast with a 2006 chrysler pacifica, a chrysler pacifica car alarm wiring diagram can save yourself a lot of time. 2006 chrysler pacifica fuse box diagram chrysler pacifica.
Ruud air handler wiring diagram; 04 pacifica pcm wiring diagram list of wiring diagrams rating breakdown (out of 5): Goontii location offline junior member reputation:
Wiring charge port to on board charger.

Cobalt SS 2.4 won't start, wire issue/BCM Cobalt SS Network

2008 ss ecm pinout Chevy HHR Network

Rear sidermarkers as turn signals... Chevy HHR Network

2005 Chrysler Pacifica Charging issues Voltage Regulator Chrysler Forum Chrysler

I have a problem with my driver side headlight on a 05 pacifica AWD touring. The headlight
Chrysler Pacifica Radio Wiring Diagram Collection
Repair Guides Body Control Module (2007) Body Control Module (2007)

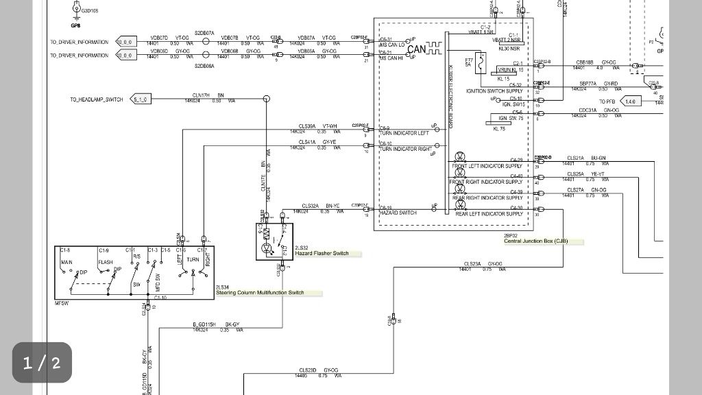
Ford Transit Forum • View topic 08 Model OS indicator & hazard not working

Weird starting issue. Page 2 Ford F150 Forum Community of Ford Truck Fans

2005 Pacifica Bcm Wiring Diagram 32 Wiring Diagram Images Wiring Diagrams Honlapkeszites.co
Repair Guides Integrated Power Module (2007) Moduleintegrated Power

08 Escalade Bcm Wiring Diagram
Repair Guides Body Control Module (2007) Body Control Module (2007)

I have a problem with my driver side headlight on a 05 pacifica AWD touring. The headlight
04 Chrysler Pacifica Tail Light Wiring
08 Pacifica Wiring Diagram Bcm
BCM wiring Camaro5 Chevy Camaro Forum / Camaro ZL1, SS and V6 Forums