Air Ride Suspension Wiring Diagram
Thank you for choosing an air ride technologies’ suspension control system. Rear suspension layouts peterbilt air trac tandem the peterbilt body builder manual was designed to provide body builders.
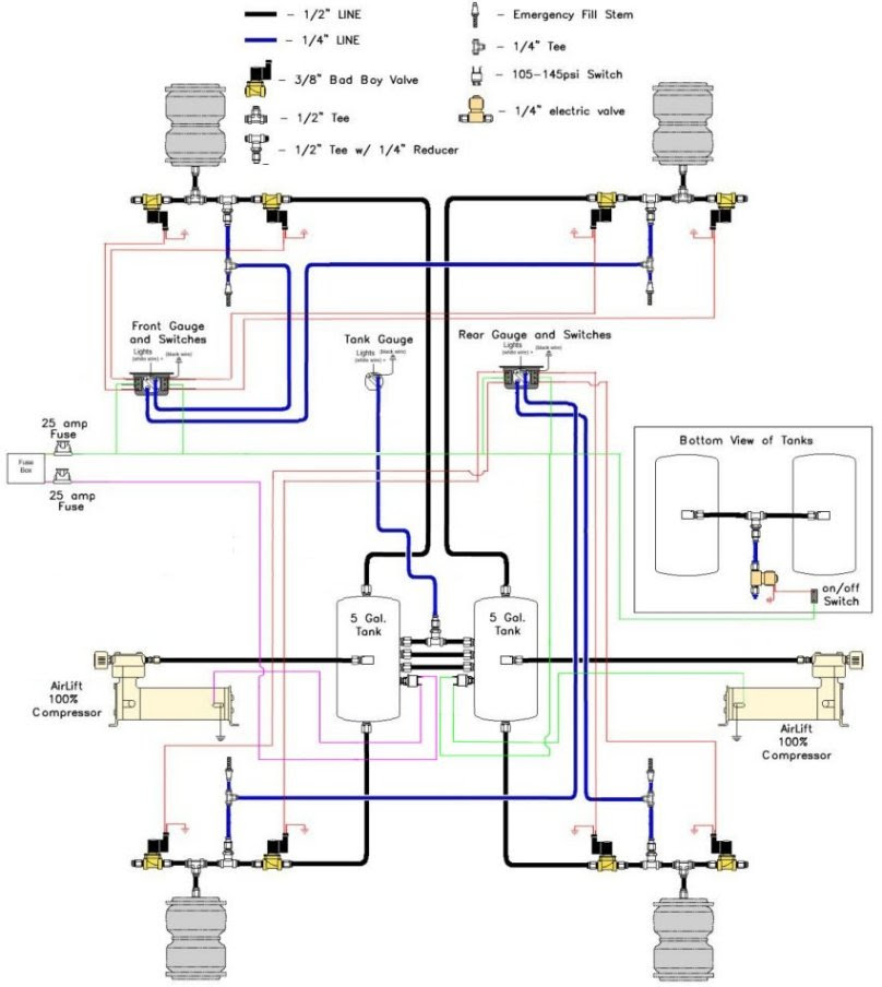
How to wire up a single compressor, multiple compressors to both relay and solenoid.
Air ride suspension wiring diagram. 1.this output is only designed to supply power to a compressor that requires less than 40 amps. Tow assist wiring and plumbing diagram no tow kit · manual valve wiring diagram. Connect the red wire (pin 2) to constant +12v.
Where to download 2000 buick lesabre air ride automatic level control wiring diagram 2000 buick lesabre air ride automatic level control wiring diagram when somebody should go to the ebook stores, search foundation by shop, shelf by shelf, it is essentially problematic. They allow a small circuit to govern a future flow circuit using an electromagnet to govern the flow of electricity inside the circuit. Do it once, do it right!
Please download these air bag suspension wiring diagram by using the download button, or right visit selected image, then use save image menu. Wiring diagram for most manual operated air ride systems. Lowering kits, handling kits, leveling kits, alignment kits, conversion kits, air suspension, coil springs, leaf springs, helper springs.
Air ride suspension control diagram. Use the following diagram for twin compressor setups. Back cover contents thank you for choosing a ridetech air suspension control system.
Our commitment doesn’t end with your purchase, in fact, it has only begun. Thank you for choosing a ridetech air suspension control system. This guide should provide you with the information you need to properly install
There is a switch attached to the chassis (with a rod connecting it to a rear control arm), on or near the air pump at the rear of the truck.the switch could be faulty, or the rod may be disengaged or damaged. I checked the switch on the dash to make sure the air ride suspension i can't speak on behalf of pete but i know the kenworth system most of the. Tech support air zenith compressor installation instructions manual ride management kit wiring custom aftermarket suspension land rover range sport hse 2008 20 unique motorcycle diagram car for firestone level diagrams frequently asked questions jnr designed electronic porsche cayenne autoride harness base rear inoperative.
As shown in the diagram, the system power is supplied with a fuse holder, 60 amp fuse, and wires. Which air lift products fit your ride? We recommend all items are installed by a qualified individual(s).
Refer to the factory service manual for. Best bet for a wiring and parts location diagram is alldatadiy.com. A 480 only puts out about 1/2 a cfm at high pressure.
2022 2021 2020 2019 2018 2017 2016 2015 2014 2013 2012 2011 2010 2009 2008 2007 2006 2005 2004 2003 2002 2001 2000 1999 1998 1997 1996 1995 1994 1993 1992 1991 1990 1989 1988 1987 1986 1985 1984 1983 1982 1981 1980 1979 1978 1977 1976 1975 1974 1973 1972 1971 1970 1969 1968 1967 1966 1965 1964 1963 1962. On peterbilt 579 air suspension. This is why we present the book compilations in this website.
Wiring diagrams help technicians to view what sort of controls are wired to the system. You can put two viair compressors on one port. We accept no responsibility for any issues/damage caused when.
Connect the yellow (pin 4) to the compressor (less than 40amp) or compressor relay (over 40amp draw). We are committed to providing the best experience possible throughout the process of getting your car on air. Air ride suspension wiring diagram.
If you need further help you can find more info below. The valve is held closed with the pressure in the tank. Thank you for choosing a ridetech air suspension control system.
If you need further help, you can find more info below. The misery in point of fact is that every car is different. Land rover work manuals range classic 68 air suspension description and operation pneumatic system diagram.
Here you will find installation, plumbing and wiring instructions for all of our ez air ride kits. Assortment of air bag suspension wiring diagram you are able to download for free. Ez air ride dual 444c wiring diagram to tank 12v 40a relay do not use red wire to tank 12v 40a relay do not use red wire pressure switch to keyed power source either prong fuse battery relays relays help to increase the life expectancy of pressure.
Here are a couple examples on how to do this. Land rover work manuals l322 range sport le 2008 air suspension inactive uk hse 2018 eas module not communicating 2010 fusible link lift load controller ii kit for lr3 lines how works paulp38a com motor runs compressor is out and valve. How to wire in a pressure switch and run it off a switched ignition cir.
Ridetech pro valve wiring diagram. Power and height sensor wiring. First, most tanks we use have 1/2 ports on them.
Air ride suspension installation and air bag instruction manuals. Later than exasperating to remove, replace or fix the wiring in an automobile, having an accurate and detailed air ride suspension wiring. These wiring diagrams cover all “c” model viair compressors as included with our manual air ride management kits.
November 22, 2019 by faceitsalon. The valve is held closed with the pressure in the tank. That port will flow a lot of air.
Ride fixed (set during install procedure). Don't do it again. ™. We are committed to providing the best experience possible throughout the process of getting your car on air.
31 Air Ride Diagram Wire Diagram Source Information

Air To Be Different Understanding Air Suspension in 2020 Air ride, Air, Trailer light wiring
Complete Air Ride Plumbing & Wiring

Manual Air Ride Diagram Wiring Diagram Manual

custom plug and play air ride systems installation document for plumbing and wiring options.

Airbag Suspension Wiring Diagram Gooddy Org In Air ride, Trailer light wiring, Plumbing diagram

custom complete air ride systems installation document for plumbing and wiring options.

[SC_2265] Truck Air Ride Suspension Diagram Wiring Diagram
Air suspension diagrams Hot Rod Forum Hotrodders Bulletin Board

Air Suspension Wiring Diagram Manual Air Ride Management Kit Wiring Free Vw Technical Air

air suspension wiring diagram Wiring Diagram

Arnott air ride wiring... Harley Davidson Forums

Air Ride Wiring Diagram For Harley Wiring Diagram Networks

[DIAGRAM] Harley Air Ride Wiring Diagram FULL Version HD Quality Wiring Diagram

Air Lift Auto Pilot V2 1/4" Manifold Digital Controller Air Ride Suspension eBay



